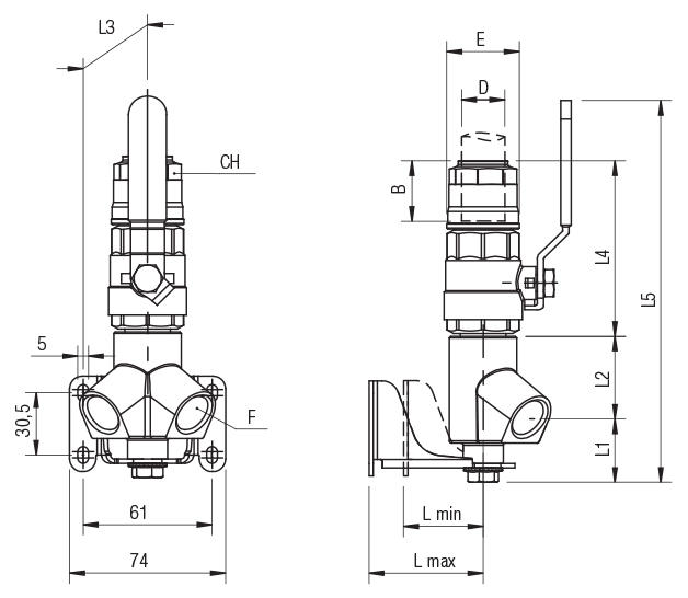
| Varenummer | D | F | B | E | L1 | L2 | L3 | L4 | L5 | L Min | L Max | CH | Pakke str. |
|---|---|---|---|---|---|---|---|---|---|---|---|---|---|
| 90664 20-1/2 | 20 | 1/2 | 31,5 | 34,5 | 31 | 40,5 | 37,5 | 84,5 | 184 | 22 | 54 | 30 | 2 |
| 90664 25-1/2 | 25 | 1/2 | 38,5 | 42,5 | 31 | 39 | 37,5 | 101,5 | 209 | 22 | 54 | 35 | 2 |
Rørsystem
Gevindfittings
Trykluftbeholdere
Sikkerhedsventiler
Åndedrætsmidler
John Guest
Leakshooter
Pneumatik
Koblinger
Værktøj
FRL
Olie- og luftrørsystem 70 bar


